New NPDES Monitoring Requirements Drive Preemptive PFAS Solutions
In an April 2022 memorandum, Addressing PFAS Discharges in EPA-Issued NPDES Permits and Expectations Where EPA is the Pretreatment Control Authority, EPA Assistant Administrator for the Office of Water Radhika Fox instructs the Regional Water Directors to begin actively addressing PFAS, starting with requiring qualifying facilities to add PFAS to the NPDES (National Pollutant Discharge Elimination System) monitoring list. U.S. EPA intends to identify and quantify PFAS sources through this process.
With this directive, the roundup for PFAS sources has officially begun. Some facilities with known sources potentially impacting downstream receptors are addressing them preemptively. However, the vast majority of PFAS sources have yet to be identified and determining who is responsible is certain to be complicated.
Whose PFAS?
Identifying sources is an obvious starting point for tackling the PFAS problem, and the NPDES promises to be an effective tool for initiating this process. However, determining point sources for PFAS from outfall sample results is not straightforward, nor will the process lack contention when assigning those responsible for investigation and cleanup.
This topic was covered in a recent webinar, Is That your PFAS: Using Forensics to Identify Sources, hosted by REGENESIS and presented by Elizabeth Denly, PFAS Initiative Leader and Chemistry Director at TRC. TRC is a global consulting, engineering and construction management firm fully engaged in PFAS investigation and remediation issues for its clients. Denly’s presentation, part of the REGENESIS PFAS Distinguished Speaker Webinar Series, highlighted the many challenges in identifying PFAS sources.
PFAS’ persistent nature and mobility in water have caused them to be nearly ubiquitous in the environment, and current investigations to identify their origin commonly reveal mixed groundwater plumes from multiple sources. Determining the responsible parties for PFAS contamination involves highly evolved forensic sampling strategies and analytical chemistry interpretation acumen. A clear understanding of subsurface hydrology is also critical since many of the thousands of PFAS compounds can transform into other PFAS, resulting in different chemical signatures from the same source over space and time. There is also the issue of the PFAS laboratory samples, as industry-wide, consistent sample handling methods have yet to be fully established.
According to Denly, “There is a major inconsistency in the lab community in the handling of aqueous samples with particulates for PFAS analysis. There is no consistent method, and these particulates can affect not only the PFAS concentrations but also the signatures. The resulting concentrations and chemical signatures of PFAS will vary depending on how the lab handles the samples.” Perhaps more than any other chemical class encountered in the history of environmental restoration, PFAS will present significant challenges to identify responsible parties for the contaminants with any degree of certainty.
Industries Targeted for PFAS Monitoring
For federally issued NPDES permits, the U.S. EPA is now requiring PFAS monitoring at facilities with pollutant sources contacting stormwater discharges. This includes industrial facilities in the following categories:
- organic chemicals, plastics and synthetic fibers (OCPSF) manufacturing
- metal finishing
- pulp, paper and paperboard manufacturing
- textile mills
- airports
- electric and electronic components
- leather tanning and finishing
- landfills
- plastics molding and forming, and
- paint formulating
Of those listed, the top five industrial point source categories were subject to a multi-industry study the EPA is using to inform their Effluent Limitation Guidelines (ELG) actions. According to the study, most of these facilities do not currently monitor for PFAS.
Several states, including New Jersey, New York, and California, also require sampling for PFAS as part of their NPDES permitting process. Others are expected to quickly follow suit as they become increasingly aware and concerned about the quality of surface water bodies in their states.
In addition to PFAS monitoring, Fox’s memo guides the NPDES permit writers to use the existing regulatory authorities to reduce PFAS discharges, requiring applicable facilities to use best management practices (BMPs), including product substitution and good housekeeping. It also requires facilities to establish practices to address PFAS-containing firefighting foams in storm water.
Where they are the permitting authority, the EPA also requires publicly owned treatment works (POTWs) to identify all possible industrial users (IUs) potentially subject to the pretreatment program and characterize/quantify their discharges.
These regulatory directives fulfill the promise of the EPA’s October 2021 PFAS Strategic Roadmap, leveraging the NPDES permit process to reduce PFAS discharges to waterways “at the source and obtain more comprehensive information through monitoring on the sources of PFAS and quantity of PFAS discharged by these sources.”1,2
Addressing PFAS Sources
Many environmental experts agree that facilities impacted with PFAS “may prove difficult and costly to remediate in some cases” due to challenges ranging from part-per-trillion cleanup targets, the extensive footprints of PFAS plumes, and the number of sites potentially impacted,3 including low cleanup objectives, limited information on natural PFAS degradation processes in the subsurface, and the apparent mobility and persistence of PFAS. Consequently, monitored natural attenuation (MNA Many techniques used to remediate other contaminant source areas are “cost-prohibitive, energy-intensive or produce toxic by-products” when applied to PFAS.4) As more PFAS sources are identified, solutions to manage the contaminants in situ (i.e., in place) without attempting to destroy or physically remove them are becoming increasingly favored.
PFAS source mitigation solutions include integrated remedial approaches that divert infiltrating water around PFAS sources (e.g., capping or mixing with impermeable materials), sequester the contaminants at or near their release points and prevent their movement in groundwater. Often, these approaches incorporate a patented colloidal activated carbon (CAC) material, commercially known as PlumeStop, injected into the subsurface to restrict PFAS in situ (i.e., in place).
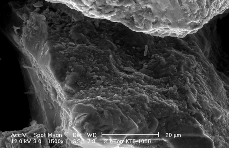
CAC incorporates activated carbon particles, milled to the size of red blood cells (i.e., one to two microns in diameter) and treated with anti-clumping additives. The result is a material that permeates through and permanently attaches to aquifer materials, transforming the subsurface into a purifying filter for groundwater.
The longest-running PFAS source treatment, completed at a former firefighting training site in Canada, has demonstrated the complete and continuous removal of PFAS from the aqueous phase since 2016, effectively binding the contaminants at the source where they are not a threat to surface water or other receptors.4 An independent modeling expert has estimated that the PFAS source treatment will remain effective at holding PFAS in place for over 60 years,5 as well as various redox indicators. To assess the CAC adsorption capacity for perfluorooctane sulfonate (PFOS
Closing
PFAS has now been added to the NPDES monitoring list, as the EPA aims to identify sources and reduce PFAS discharges. With their prevalence, most have accepted that PFAS are likely to be found when looking for them. As industries and municipalities begin collecting samples from their storm water and wastewater discharges, innumerable positive detections for PFAS are anticipated. Deep scrutiny will be required to understand what the data are communicating as many commingled plumes emanating from multiple sources will be revealed. Environmental forensic experts, lab analysts, and lawyers will be occupied for years to come, working upstream from countless stormwater outfalls to sort out whose PFAS are whose.
Once these PFAS sources are identified, along with their responsible parties, sound economics dictate they be managed sustainably and cost-effectively. Preemptively mitigating PFAS sources and preventing groundwater plume development is a strategy some facility operators are using to address the contaminants before they are found in an outfall discharging to surface water.
Citations
npdes_pfas-memo.pdf. Accessed June 6, 2022. https://www.epa.gov/system/files/documents/2022-04/npdes_pfas-memo.pdf
PFAS Strategic Roadmap: EPA’s Commitments to Action 2021-2024 | US EPA. Accessed November 23, 2021. https://www.epa.gov/pfas/pfas-strategic-roadmap-epas-commitments-action-2021-2024
Newell CJ, Adamson DT, Kulkarni PR, et al. Monitored Natural Attenuation to Manage PFAS Impacts to Groundwater: Scientific Basis. Groundwater Monitoring & Remediation. 2021;41(4):76-89. doi:10.1111/gwmr.12486
McGregor R. In Situ treatment of PFAS-impacted groundwater using colloidal activated Carbon. Remediation Journal. 2018;28(3):33-41. doi:10.1002/rem.21558
Carey GR, McGregor R, Pham ALT, Sleep B, Hakimabadi SG. Evaluating the longevity of a PFAS in situ colloidal activated carbon remedy. Remediation Journal. 2019;29(2):17-31. doi:https://doi.org/10.1002/rem.21593


